الاتصالات

815 مقال

أخبار وتحليلات حول شبكات الاتصال، خدمات الإنترنت، الهواتف المحمولة، وحلول التواصل الحديثة لتسهيل حياة الأفراد والشركات.

Advertisement
واجهة تردد الراديو Radio Frequency Interface

واجهة تردد الراديو Radio Frequency Interface

واجهة تردد الراديو Radio Frequency Interface ما هي واجهة تردد الراديو RFI؟ ميزات واجهة تردد الراديو Radio Frequency Interface: واجهة تردد الراديو المتعدد: محتوى نموذج المنفعة في واجهة تردد الراديو Radio Frequency Interface: تتألف وحدة معالجة الإ...

خدمة الهاتف المحمول الرقمية المتقدمة DAMPS

خدمة الهاتف المحمول الرقمية المتقدمة DAMPS

خدمة الهاتف المحمول الرقمية المتقدمة D-AMPS ما هو خدمة الهاتف المحمول الرقمية المتقدمة D-AMPS أساسيات خدمة D-AMPS آلية عمل خدمة D-AMPS المواصفات الفنية لخدمة D-AMPS سمات خدمة D-AMPS الفرق بين الأنظمة الخلوية AMPS وD-AMPS 1- نظام “AMPS” 2- نظام ...

مضخم الصوت دوهرتي – Doherty Amplifier

مضخم الصوت دوهرتي – Doherty Amplifier

مضخم الصوت دوهرتي – Doherty Amplifier ما هو مضخم الصوت – Doherty Amplifier؟ تطور مضخم الطاقة دوهرتي: متطلبات مكبر الصوت دوهرتي: أساسيات ونظرية مضخم دوهرتي: 1. مضخم الناقل – Carrier amplifier: 2. مضخم الذروة – Peaking amplifier: أنواع مضخم...

الهوائي الرباعي المكعب – Cubical Quad Antenna

الهوائي الرباعي المكعب – Cubical Quad Antenna

الهوائي الرباعي المكعب – Cubical Quad Antenna ما هو الهوائي – Antenna؟ أساسيات الهوائي الرباعي – Cubical Quad Antenna: الهوائي الرباعي وتوزيع الجهد: مزايا الهوائي الرباعي: 1. الكسب – Gain: 2. إشعاع الزاوية المنخفضة – Low angle radiation: 3. تأثير...

خلط الترددات اللاسلكية وخلاطات التردد – RF Mixing

خلط الترددات اللاسلكية وخلاطات التردد – RF Mixing

خلط الترددات اللاسلكية وخلاطات التردد – RF Mixing ما هي خلاطات التردد – RF Mixing؟ ماذا يحدث عندما تختلط الإشارات؟ لماذا يعمل خلط RF؟ آلية عمل خلاطات التردد اللاسلكي: منافذ خلاط التردد RF: أنواع خلاط RF: 1. الخلاطات السلبية: 2. الخلاطات النشطة: 3. خل...

جهاز استقبالإرسال عالمي غير متزامن UART

جهاز استقبالإرسال عالمي غير متزامن UART

جهاز استقبال-إرسال عالمي غير متزامن UART ما هو جهاز استقبال-إرسال عالمي غير متزامن UART؟ أساسيات جهاز استقبال-إرسال عالمي غير متزامن UART: آلية عمل جهاز UART: 1- بت البداية: 2- إطار البيانات: 3- بت التكافؤ: 4- نقطة التوقف: خطوات الإرسال السر...

كسب هوائي ياغي والاتجاهية – Yagi Antenna Gain

كسب هوائي ياغي والاتجاهية – Yagi Antenna Gain

كسب هوائي ياغي والاتجاهية – Yagi Antenna Gain عوامل هوائي ياغي الكسب وعرض الحزمة: اعتبارات كسب هوائي Yagi – Uda: 1. عدد العناصر في ياغي – Element spacing: 2. تباعد العناصر – Element spacing: 3. طول الهوائي – Antenna length: كسب هوائي ياغي مقابل ع...

مركب التردد اللاسلكي والتوليف الرقمي المباشر

مركب التردد اللاسلكي والتوليف الرقمي المباشر

مركب التردد اللاسلكي والتوليف الرقمي المباشر ما هو مركب التردد اللاسلكي – RF Frequency Synthesizer؟ أنواع مركب الترددات الراديوية: ما هو التوليف الرقمي المباشر DDS؟ آلية عمل DDS: عيوب DDS: يُعد استخدم تقنية مُركب التردد اللاسلكي على نطاق واسع ا...

واجهة البوابة المشتركة في الاتصالات Common Gateway Interface 

واجهة البوابة المشتركة في الاتصالات Common Gateway Interface 

واجهة البوابة المشتركة في الاتصالات Common Gateway Interface  ما هي واجهة البوابة المشتركة Common Gateway Interface؟ آلية عمل واجهة البوابة المشتركة: تفاصيل CGI: مزايا CGI: عيوب CGI: تطبيقات واجهة البوابة المشتركة: أولاً: النماذج: ثانياً: البوابة: ثالثاً: المستن...

التضمين البيني السلبي – Passive Intermodulation

التضمين البيني السلبي – Passive Intermodulation

التضمين البيني السلبي – Passive Intermodulation ما هو التضمين البيني السلبي – Passive Intermodulation؟ أساسيات التضمين البيني السلبي: مستويات PIM النموذجية وأهميتها: أسباب التضمين البيني السلبي: أسباب صعوبة تحديد موقع التضمين البيني السلبي: كيفية م...

فتحات الهوائي Antenna Apertures

فتحات الهوائي Antenna Apertures

فتحات الهوائي Antenna Apertures ما هي فتحات الهوائي Antenna Apertures؟ أنواع فتحات الهوائي: أولاً: الفتحة الفعالة “Effective Aperture”: ثانياً: فتحة الانتشار “Scattering Aperture” وفتحة الخسارة “Loss Aperture”: ثالثاً: فتحة التجميع ...

موائمة الممانعات – Impedance Matching

موائمة الممانعات – Impedance Matching

موائمة الممانعات – Impedance Matching ما هي موائمة الممانعات – Impedance Matching؟ حالات مطابقة مقاومة الاتصال البيني: 1. السائق والمتلقي متطابقان – The driver and receiver are matched: 2. يتم مطابقة السائق والخط والمستقبل مع نفس المعاوقة...

Advertisement
المغذي المتوازن – Balanced Feeder

المغذي المتوازن – Balanced Feeder

المغذي المتوازن – Balanced Feeder ما هو المغذي المتوازن – Balanced Feeder؟ أساسيات التغذية المتوازنة في الهوائي: أنواع المغذي المتوازن للهوائي: 1. مغذي السلك المفتوح – Open wire feeder: 2. وحدة التغذية الشريطية المتوازنة – Ribbon bala...

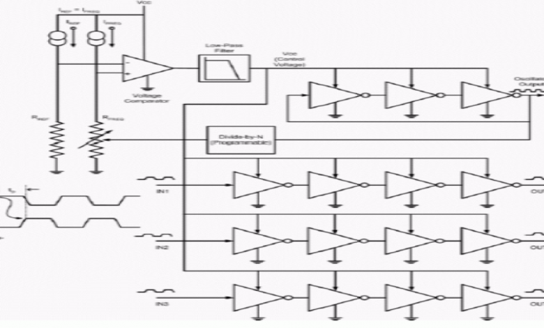
جهاز توليف التردد الرقمي PLL 

جهاز توليف التردد الرقمي PLL 

جهاز توليف التردد الرقمي PLL  مكونات جهاز توليف التردد الرقمي PLL: أساسيات المزج الرقمي: زيادة خطوة التردد: الفرق بين PLLs التماثلية والرقمية: جميع PLLs الرقمية: لقد تحسن أداء الحلقات المقفلة الطور التماثلية “PLLs” بشكل مطرد مع ت...

البث الخلوي Cell Broadcast

البث الخلوي Cell Broadcast

البث الخلوي Cell Broadcast ما هو البث الخلوي Cell Broadcast؟ أساسيات البث الخلوي: تطبيقات البث الخلوي: 1- الإعلان: 2- خدمات المعلومات: 3- البث الخلوي هو إحدى وظائف الشبكات الخلوية: مبدأ عمل البث الخلوي Cell Broadcast: مزايا الب...

ما هي أجهزة اتصال شبكة الإيثرنت

ما هي أجهزة اتصال شبكة الإيثرنت

ما هي أجهزة اتصال شبكة الإيثرنت أساسيات أجهزة التوجيه ومحولات ومحاور الإيثرنت: ما هي محاور الإيثرنت Ethernet hub؟ ما هي محولات الإيثرنت Ethernet switch؟ ما هو جهاز توجيه الإيثرنت Ethernet router؟ مميزات أجهزة توجيه الإيثرنت: في شبك...

مكونات الهاتف المحمول

مكونات الهاتف المحمول

مكونات الهاتف المحمول ما هي مكونات الهاتف المحمول؟ 1. تردد الراديو أي المتلقي والمرسل – Radio frequency receiver and transmitter: 2. معالجة الإشارة الرقمية – Digital signal processing: 3. التماثلية أو التحويل الرقمي – Anal...

كيفية تعلم شفرة مورس

كيفية تعلم شفرة مورس

دليل شامل ومبسط يشرح أساسيات وطرق تعلم شفرة مورس (Morse Code) لهواة الراديو والمبتدئين، مع أفضل النصائح والموارد لزيادة سرعتك في الاستقبال والإرسال....

نظام التحكم في سلوك الاتصالات الستلايتية Attitude Control System

نظام التحكم في سلوك الاتصالات الستلايتية Attitude Control System

نظام التحكم في سلوك الاتصالات الستلايتية Attitude Control System ما هو نظام التحكم في سلوك الاتصالات الستلايتية Attitude Control System؟ سلوك القمر الصناعي: العوامل المؤثرة في سلوك الأقمار الصناعية: أولاً: عزم التدرج الجاذبي: ثانياً: عزم الدوران المغناطيسي: ثالثاً:...

طريقة التكييف في الاتصالات – Adaptive Equalization

طريقة التكييف في الاتصالات – Adaptive Equalization

طريقة التكييف في الاتصالات – Adaptive Equalization ما هو Adaptive equalizer؟ مصادر التكييف في الاتصالات: 1. تسلسل التدريب المرسل – Transmitted training sequence: 2. الإشارة نفسها – The signal itself: معايير نظام التكييف لأنظمة الاتصال الاسلكي: مستقبل ...

ما هو الخط المشترك الرقمي عالي السرعة VDSL

ما هو الخط المشترك الرقمي عالي السرعة VDSL

ما هو الخط المشترك الرقمي عالي السرعة VDSL ما هو الخط المشترك الرقمي عالي السرعة VDSL؟ تكوينات VDSL: تداخل الترددات اللاسلكية في VDSL: 1- قمع الخروج: 2- قمع الدخول: 3- إشارة راديو الهواة: ميزات VDSL: 1- إنّه أسرع وأكثر موثوقية لأنّه جزء من الأ...

Advertisement